Оптоэлектронная интеграция Hybird | Электронная почта: sales1@cqwiseworld.com
Вы здесь: Дом » Продукты » Оптопара » Высокоскоростной W6231S/W6237D/W6231D/W6261S/W6234D-2/W6237D-4

loading

Поделиться с:
wechat sharing button
facebook sharing button
twitter sharing button
line sharing button
linkedin sharing button
whatsapp sharing button
sharethis sharing button

Высокоскоростной W6231S/W6237D/W6231D/W6261S/W6234D-2/W6237D-4

В этой серии оптопар используется толстопленочная технология для интеграции инфракрасных диодов и микросхем обработки детектора в керамический корпус трубки. Чип обработки детектора включает в себя фототранзистор с высоким коэффициентом усиления и схему формирования сигнала, обеспечивающую эффективное преобразование оптических сигналов в электрические сигналы с минимальными искажениями. Такая интеграция не только упрощает общую конструкцию схемы, но и улучшает характеристики оптопары с точки зрения линейности и стабильности в широком диапазоне жестких и жестких условий эксплуатации. Керамическая трубчатая оболочка обеспечивает превосходную теплопроводность и механическую прочность, эффективно защищая внутренние компоненты от внешних факторов окружающей среды, таких как колебания температуры от -55℃~+125℃, влажность и механические нагрузки. Кроме того, выход с открытым коллектором обеспечивает гибкое взаимодействие с различными семействами логических схем и внешними цепями, что делает его пригодным для широкого спектра приложений, где электрическая изоляция и целостность передачи сигнала являются критическими требованиями. Технология толстой пленки, используемая в производственном процессе, обеспечивает точный контроль параметров компонентов, что приводит к стабильной производительности и высокой надежности от партии к партии.
штат:
Количество:

Приложение

• Цифровая изоляция аналого-цифрового, цифро-аналогового преобразования.

• Схемы компьютерного интерфейса

• Схемы интерфейса микросистемы

• Высокоскоростные логические схемы

• Преобразование уровней

• Изоляция входа и выхода прибора.

• Устранение контура заземления

• Замена импульсного трансформатора


Функции

• Напряжение изоляции > 1000 В.

• Напряжение источника питания 2,7–5,5 В.

• Максимальная скорость 10 Мбит/с.

• Совместимость с LSTTL/TTL

• Рабочая температура -55℃~+100℃.


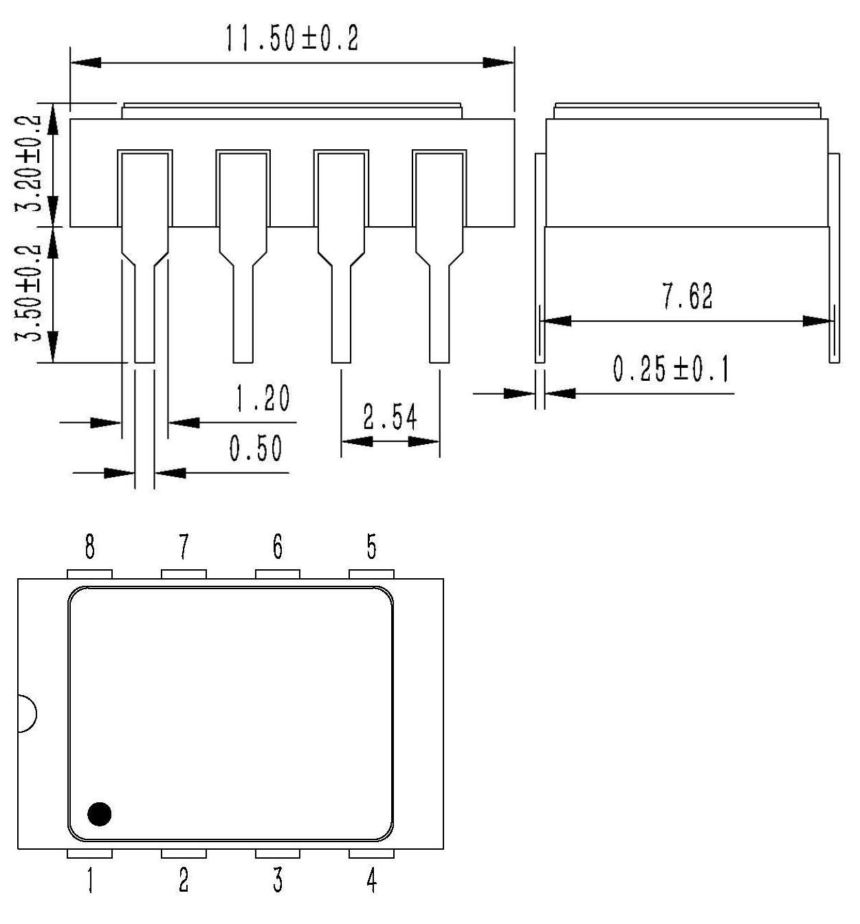
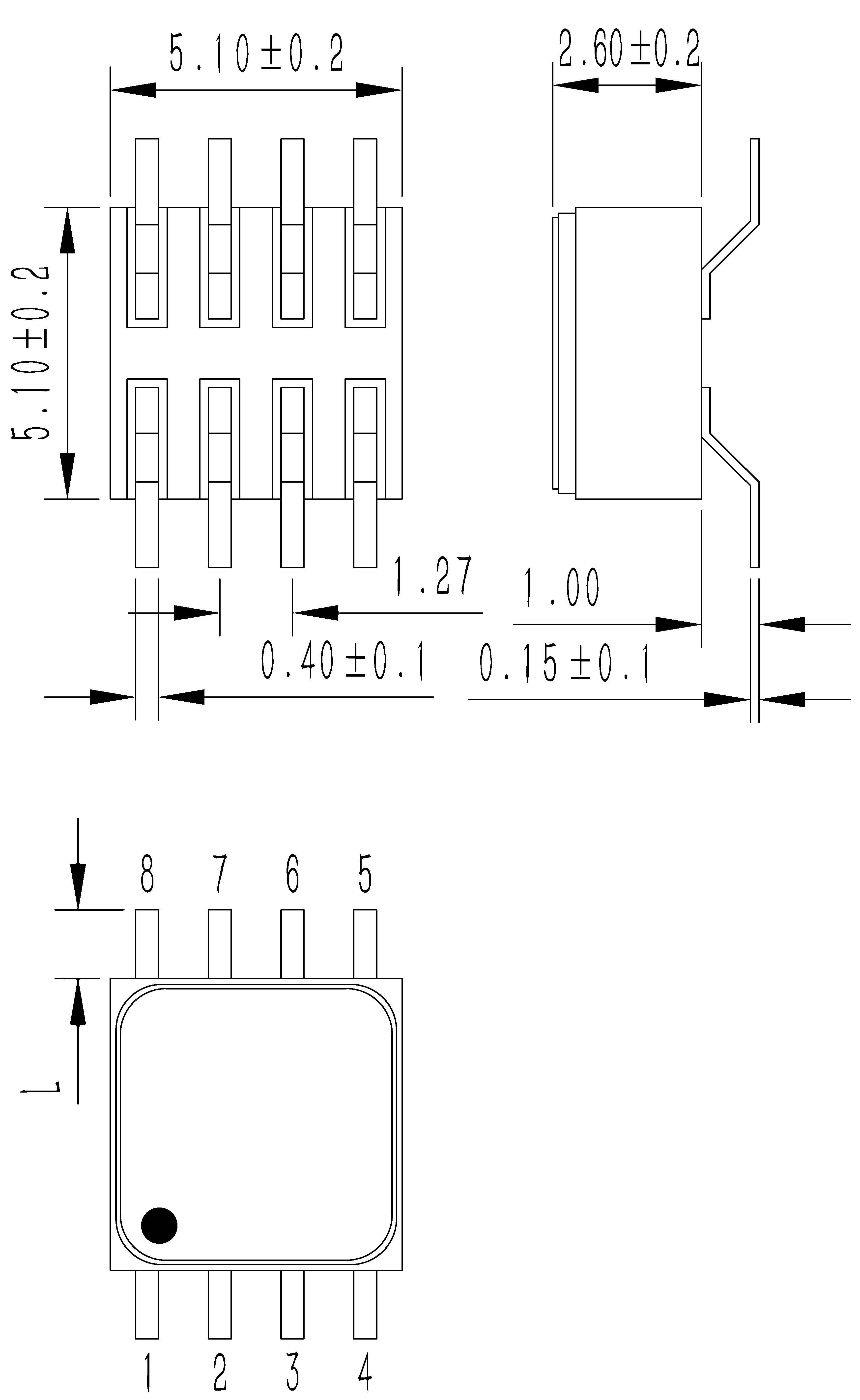
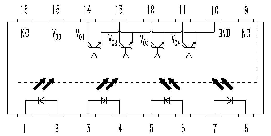
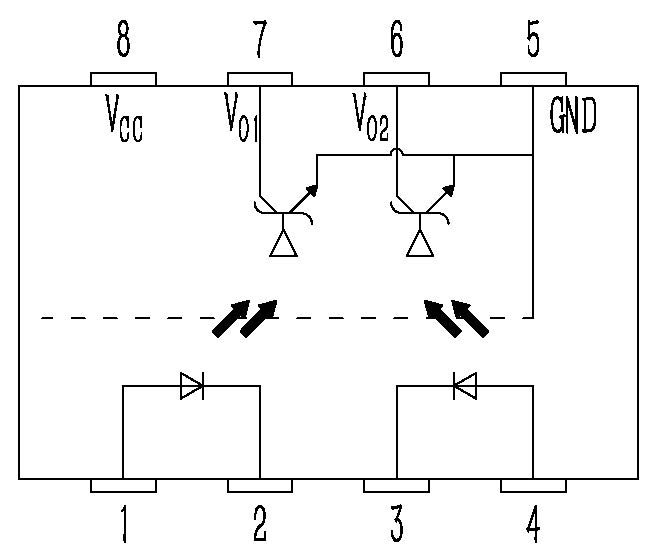
Определение размеров и выводов

Часть №. Упаковка Размер (мм) Определение контакта (вид сверху)

W6231S

СОП8/ Двухканальный


W6237D

DIP8/ Одноканальный



W6231D

DIP8/двухканальный


W6261S

СОП16/ Четырехканальный


W6234D-2

DIP/двухканальный

25324


W6237D-4

DIP16/ четырёхканальный

25324



предыдущий: 
следующий: 
Решения для фотоэлектрической передачи, керамические корпусные оптопары и оптические твердотельные МОП-реле.
 

Быстрые ссылки

Категории продуктов

Связаться с нами

Добавить: № 7, Чахуа-роуд, район Наньань, Чунцин 401336, Китай.
ВКонтакте/WeChat/WhatsApp:
+86-13308395418
Электронная почта: sales1@cqwiseworld.com
Авторские права © 2025 Wiseworld Technology Co., Ltd. Все права защищены. Политика конфиденциальности | Sitemap